【技术博览】电网移峰填谷能手是怎样的存在?
2021-10-22 21:37 来源:前海控股



在常规民用建筑中,空调系统用电量占建筑总用电比例大致为30%-60%,而在整个空调系统用电中,主机占比达50%以上。常规空调设计方面,冷水主机容量按照尖峰负荷来配置,在运行过程中,冷水主机根据实际负荷情况开启和调整冷量输出,这使得电力系统、主机设备及配套在绝大部分情况下均处于低负载状态,设备利用率低,空置率高。据统计,空调使用高峰时用电量达到城市用电负荷的30%以上,空调使用量低谷时用电量只有10%左右,这样加大了电网的峰谷用电差。蓄冷空调系统的移峰填谷的功能对电网有很大的平顺作用,蓄冷技术也正得到各方重视和推广。

概述
蓄冷系统是通过利用夜间低谷电价蓄冰高峰电价时期放冷的节约空调系统运行费用的技术。蓄冷主要在大型中央空调系统,尤其是区域集中供冷系统中应用。蓄冷利用的前提是要有峰谷电价,其主要特征是空调系统在晚上用冷少的时间段采用低谷电价用制冷主机蓄冷,然后在白天用冷高峰期直接放冷,减少电价高峰期主机的开启。这样就可以将电网高峰期的空调用量转移到电网低谷期使用。
蓄冷系统有以下优势:
01
削峰填谷、平衡电力负荷,改善发电机组效率、减少环境污染
02
若能有适合的峰谷电价配合,可降低运行费用
03
通过蓄冷储能,可降低制冷机装机容量,提高设备利用率
04
提供更低的冷冻水供水温度,拉大供回水温差,减少冷冻水输送量,从而降低输送能耗及管道管径
05
除电制冷机外,蓄冷也是一种有效的冷源,提高了供冷安全性保障。当电力系统出现故障时,可仅向融冰水泵供电即可向外供冷

冰蓄冷系统图
蓄冷技术主要有冰蓄冷、水蓄冷,冰蓄冷包括冰盘管、蓄冰桶、动态蓄冰等几种形式。前海区域集中供冷已经建设的项目主要采用冰盘管蓄冰形式,也有小部分的动态冰示范项目。

静态盘管冰蓄冷
前海区域供冷蓄冷的应用
01
静态盘管冰蓄冷(2号站)
目前,前海合作区已投运的3个冷站均采用了传统的外容冰式静态盘管冰蓄冷技术,该技术在国内的应用历史已有近30年,技术成熟,对区域供冷的可靠性提供了重要支撑。其中2号冷站采用冰盘管蓄冰已经连续运行了近7年。
前海区域集中供冷2号供冷站机房位于二单元卓越地块内,采用电制冷加冰蓄冷系统,装机容量约13200RT,蓄冰量约73000RTH,尖峰供冷能力21700RT,供冷建筑面积约102.5万平方米,主要服务对象为二单元本供冷区域内2018年底前建成的办公、商业等公共建筑。冷水机组、蓄冰装置、冷冻水泵、冷却水泵等制冷设备均设置于地下3-4层;配电房设置于负二层;冷却塔位于首层辅助用房天面。冷站主机房和冰槽面积约8610平方米,层高9.8米;配电房面积约1918平方米,层高5米;冷却塔占地面积约3082平方米。

前海2号冷站区域供冷面积平面分布图

前海2号站冰盘管和主要设备BIM模型

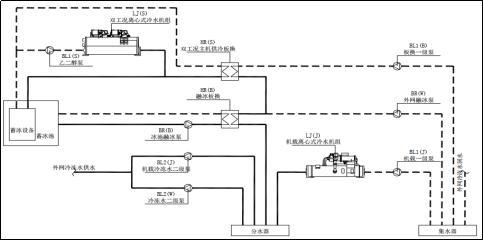
前海2号站系统图

蓄冰运行流程

融冰运行流程
2号站项目一期选用BAC品牌的288组盘管,单个盘管蓄冷量为252RTH,合计总蓄冷量为72576RTH。
其盘管特点:
01
非完全冻结设计,制冰目标是制冰结束,冰盘管外包裹均匀的冰层,且冰浅间保有均匀的间隙,可保证融冰出水温度不高于1.0℃。
02
圆形截面,换热外表面积最大,管太流程阻弼最泵耗最省的最佳形式。
03
盘管片的变间距设计。盘管片与片之间留有疏密不等的多种间隙,间隙将根据每个项目的制冰厚度不同进行特别的设计;盘管片的隔片上开有大小不等的通水孔,保证制冰末期后仍留有一定间隙的水流通道,不会产生冰与冰相连的冰桥,保证冰与水始终有良好的接触,不产生短路及死角,结合圆形截面外表面积最大的特性,一方面保证换热面积的最大化,保证冰池内的冰水温度场均匀,冰水温度不分层;另一方面从根本上杜绝了过度结冰所带来的危害。

蓄冰盘管间距
04
双向逆流设计,进出双向逆流蓄冰系统在制冰时由于进口处冷媒温度最低,换热动力最强,制冰最后,随着沿程换热,温度逐渐升高到冷媒出口端温度最高,制冰最薄。如此将紧紧相邻的两个盘管片设计成进出反向的双向逆流,在紊流换热流场下,换热更充分,蓄冰和融冰,速率更高,制冰融冰分配更均匀。到冷媒出口端温度最高,制冰最薄。

双向逆流设计
05
整体热浸锌,盘管整体组装后对整机进行热浸锌,分别经过脱脂、除锈、活化处理、镀锌、冷却、修整等多重环节,从而保证表面均匀光滑、更高的耐腐蚀性。
06
冰厚传感器和冰量传感器,冰盘管系统配有的冰厚度传感器和冰量传感器,从而与控制系统共同工作,以达到防止过度结冰和蓄冰量控制。
冰池平面如下图,采用252RTH的盘管,分为12列,16排布置。

冰槽布置平面图
蓄冰槽的横截面布置如下图,采用3组盘管叠放布置,每组盘管高度为1.75米,盘管总高度为5.25米,水面离冰槽底部为6.05米,水面上方为冷水管和乙二醇管的布管。

蓄冰槽横截面布置图
02
动态冰蓄冷(4号站试验)
前海能源本着创新、探索的精神,在前海合作区4号供冷站的设计中尝试小规模选用动态冰蓄冷技术。动态冰蓄冷相较于传统的静态盘管冰蓄冷无论在制冰技术、冰的储存形态,还是效率、移峰能力等方面都存在巨大的差异,是冰蓄冷领域的新兴技术。
动态冰蓄冷的基本原理是利用水的天然过冷特性,通过专门设计的板式换热器把普通自来水冷却到零下2℃,同时保持不结冰的液体状态(这种低于0℃且仍保持液体状态的现象称为过冷现象,处于过冷状态的水称为过冷水),再在换热器之外通过超声波的空化效应使过冷水瞬间转变成流态化冰水混和物(冰浆),从而实现制冰和蓄冷。冰浆中固态冰的形态为毫米级以下颗粒的多孔聚集状,可以很容易被液态水充分渗透。
动态冰蓄冷技术移峰能力强,微小颗粒聚集状的冰浆具有比静态盘管实心冰大的比表面积,因此在释冷过程中回水与冰粒之间的充分渗透式融冰速度极快,融冰释冷强度提高数十倍,完全具备在电力高峰时段由蓄冰池独立供冷的能力,从而实现电力负荷的全移峰(忽略供冷水泵消耗的峰段电力),具备在未来智慧电网、电力市场现货交易模式下、以及虚拟电厂政策等条件下创造更大的减碳效益和经济效益。

动态冰蓄冷原理图

动态冰蓄冷机组

动态冰蓄冷池内的流态化冰浆
4号供冷站项目的冰蓄冷分为两个子系统,其一是传统的外融冰式静态盘管冰蓄冷,其二是动态冰蓄冷,两个系统蓄冰模式下相对独立,但通过冷站内分、集水器实现并网互联供冷。对于动态冰蓄冷子系统,配置2台空调工况为600RT,制冰工况约450RT的双工况冷水机组,动态蓄冰量约为7200RTh,蓄冰池采用钢筋混凝土结构,内部防水保温,有效容积720m3。

前海合作区4号供冷站动态冰蓄冷系统图
4号供冷站动态冰蓄冷主机房位于地下三层,主要设备含:2台双工况制冷主机、2台动态制冰机组及冰晶过滤器、2台方形横流式超低噪音全钢冷却塔、乙二醇水泵、制冰泵、放冷泵、冷却泵及冷冻一次泵等。冷冻水及乙二醇载冷剂管道均采用无缝钢管,冰水管道采用热镀锌钢管。

前海4号供冷站动态冰蓄冷机房BIM模型
4号供冷站建成投运之后,将成为首个在大型区域供冷系统中采用的动态冰蓄冷工程应用实例,并且该供冷站同时采用了静态盘管冰蓄冷,因此具备对两种蓄冰技术的全面对比条件,其建成投运将成为冰蓄冷技术领域重要的研究对象和技术基准,并将推动冰蓄冷储能技术在未来低碳智慧电网中扮演更重要的角色。
03
水蓄冷和冰蓄冷结合(3号站)

水蓄冷原理图
水蓄能是利用水的显热来实现冷量储存。对于水蓄冷,利用冷水机组制取4-7℃的水蓄至储罐,在供冷时间可直接取用水池的低温水向末端供冷。相对于冰蓄冷,水蓄冷具有以下优势:
01
系统效率高
水蓄冷主机出水温度(4℃)和常规水冷主机(7℃)相差不多,远高于制冰机组(-2℃)。由于主机出液温度越高,效率越高,因此水蓄冷系统效率高于冰蓄冷效率。
02
系统简单,运行方便
蓄冷系统不需要乙二醇板换和乙二醇泵,减少了设备占用面积;没有乙二醇系统,也不需担心乙二醇的泄露;没有板换,提升了用冷效率。
03
初投资少
水蓄冷的主要构成为水池和布水器,整体设备相对于冰蓄冷少很多;同时国内做水蓄冷厂家多,价格完全市场化,而冰蓄冷的盘管厂家却很少,价格较高。
3号冷站设计团队根据深圳地区电价政策、前期研究成果、方案设计成果及专家评审意见,采用“电制冷+冰蓄冷+水蓄冷”系统,目前正在设计中。

3号站系统图

3号冷站冰蓄冷和水蓄冷
本项目利用水蓄冷具有出投资少,运行费用低等特点,在外融冰的基础上,在不改变总蓄冰量的前提下,将水蓄冷加入到系统中,减少蓄冷能耗的同时减少双工况主机在白天的使用。
前海区域供冷蓄冷的展望
蓄冷技术已经在前海区域供冷系统中广泛应用,2号站在2017-2019年处于低负荷期(约10%)采取全蓄冰-融冰方式运行可满足供冷需求;2020年开始负荷明显增加,截止目前负荷率接近60%,采用蓄冰融冰+主机供冷方式运行;近5年来蓄冰系统、融冰系统运行稳定,未有异常情况发生;其中,蓄冰时,乙二醇系统供回水温度与设计值一致(-5.6℃、-1.5℃);融冰时,供水温度可达到设计供水温度2.5℃,现根据供冷季节或用户需求进行调整,最高供水温度不超过5℃;镀锌碳钢蓄冰盘管运行未发生明显腐蚀及泄漏。
通过采用区域供冷系统,每年可为前海深港现代服务业合作区减少用于冷源电制冷的耗电量约2亿度,相当于每年减少使用约3.6万吨标准煤,减少排放9.6万吨二氧化碳及300吨二氧化硫,节能减排的效果非常显著。
通过2号站冰盘管蓄冷的设计和运行,4号站动态冰系统的尝试,3号站水蓄冷和冰蓄冷的结合,前海区域供冷不断履行低碳、环保的城市建设理念,不断提高供冷的效益,确保安全性和稳定性,创新城市公共服务水平。

通讯员:前海能源公司 旷金国;安全质量部 王志强
编辑整理:吴书深
校审:姜媛媛、朱斌
本文由前海控股编辑整理发布,转载请注明来源

